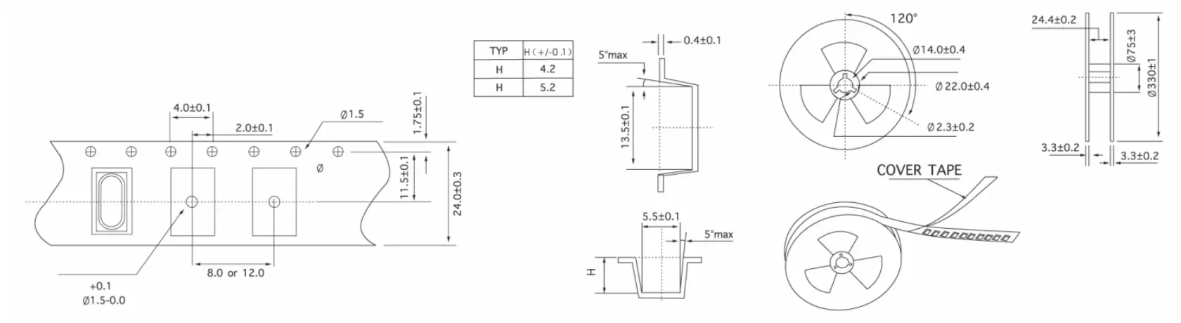
UNIDAD DE CRISTAL DE CUARZO
HC-49S/4PD
| TIPO | HC-49S/2PD |
| Rango de frecuencia | 3,5 MHz ~ 125 MHz |
| Corte de cristal | AT;BT |
| Tolerancia de frecuencia (a 25 °C) | ±5 ppm ~ ±30 ppm |
| Características de frecuencia y temperatura | "AT: ±2,5 ppm (0 ℃-50 ℃); +5 ppm (-10 ℃-60 ℃); +10 ppm (-20 ℃-70 ℃); +30 ppm (-40 ℃-85 ℃)"BT: ±100 ppm (-20 ℃-70 ℃); |
| Tiempo de almacenamiento.Rango | -40℃~+85℃ |
| Resistencia en serie equivalente (ESR) | Ver tabla |
| Capacitancia de carga (CL) | 4pf~∞ |
| Capacitancia en derivación (Co) | <5pf |
| Resistencia de aislamiento | >500M2 a 100 V CC |
| Nivel de conducción | 1 μw ~100 μw |
| Envejecimiento (año) | ±3 ppm (año) |
| Frecuencia (MHz) | Modo | ESR(Ω) |
| 3.500 ≤f<4.000 | AT/FONDO | 150~100 |
| 4.000 ≤f<6.000 | AT/FONDO | 100~60 |
| 6.000 ≤f<10.000 | AT/FONDO | 60~50 |
| 10.000≤f<15.000 | AT/FONDO | 50~30 |
| 15.000≤f<35.000 | AT/FONDO | ≤ 25 |
| 21.000 ≤f<40.000 | BT/FONDO | ≤ 40 |
| 25.000 ≤f<100.000 | 3er armónico | 80~60 |
| Además de los parámetros enumerados en la tabla, se puede diseñar según las necesidades del cliente. | ||

*
*
*